【產品用途】
煤氣專用蝶閥是一種常用于冶金、化工等領域中通風管路中,主要負責含有含塵的冷、熱風流、流通的流量調節和切斷,這樣看起來煤氣蝶閥似乎沒有什么過人之處,但是與普通的閥門相比,蝶閥的結構更適合這種工作環境。
煤氣專用蝶閥使用中線式碟板和鋼板焊接制成,結構緊密,重量輕。區別于普通類閥門,特點在于它的內部沒有連接桿、螺栓等結構,所以對通道輸送氣體所帶來的腐蝕和破壞具有更強的抵抗作用。
通常煤氣蝶閥都會采用氣動控制或者電動控制,引起力矩小、操作簡便、可靠性高。所以在冶金、環保等領域廣泛使用。另外,這種閥門還可以手動控制和自動控制之間自如切換,能夠實現更靈活的使用。
這種蝶閥的使用,在一定程度上可以取代球閥和閘閥,因為不需要安裝多層密封圈,而是直接安裝在閥體上,在閥座和壓板中間部分設計調節環,所以能夠實現更理想的雙向硬質密封。
【煤氣專用蝶閥的選擇原則】
1、在系統中起連通和切斷作用,并允許切斷時介質有少量泄露(一般不大于5%)的風門可選用關閉擋板風門、74DD圓風門、方風門、鋼制關斷風門等。
2、在系統中起調節介質流量作用,且一般不起隔斷作用的風門,宜選用調節擋板風門、鋼制調節圓風門。對于要求既有調節性能又需切斷介質流動功能的風門,宜選用無泄漏調節擋板風門,74DD圓風門、方風門。用于離心式風機入口的風門,只宜選用平行開關式的調節擋板風門、方風門。用于即起調節作用又需自動關斷逆向氣流場合的風門,宜選用逆止式調節風門。
3、在系統中作切斷用,且不允許介質泄露(理論上泄漏量為零),宜選用隔絕類風門,其種類有標準插板式隔絕門、大型閘板門、翻板門、雙峰百葉窗式風門。
4、用于煤粉制備系統中起隔絕作用風門,可選用煤粉閘門裝置。
5、用于灰煤粉等粒狀物料的隔絕門,可選用隔絕閘門裝置。
6、用于粉塵管路易受磨損、沖刷的葉片式風門,表面要耐磨、耐蝕,可選用耐磨陶瓷風門或表面噴涂高溫防腐耐磨合金圖層的風門(風門的使用壽命較16Mn鋼材延長使用壽命4~5倍)。
【標準規范】
設計制造標準:GB/T 12238-2008
結構長度標準:GB/T 12221-2005
連接法蘭標準:GB/T 9113
壓力溫度等級:GB/T 12224-2005
試驗檢驗標準:GB/T 13927-2008
【結構特點】
1、啟閉方便迅速、省力、流體阻力小,可以經常操作。
2、結構簡單,體積小,重量輕。
3、低壓下實現良好的密封。
4、調節性能好。
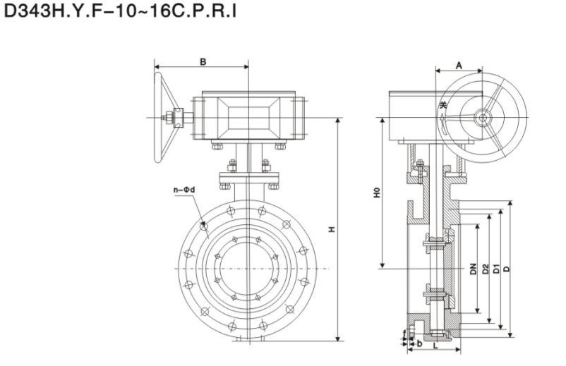
【主要外形和連接尺寸】
|
PN
|
DN
|
L
|
D
|
D1
|
D2
|
Z-d
|
b
|
f
|
H
|
H0
|
|
1.0
|
50
|
108
|
165
|
125
|
99
|
4-18
|
20
|
2
|
170
|
130
|
|
1.0
|
65
|
112
|
185
|
145
|
118
|
4-18
|
20
|
2
|
170
|
145
|
|
1.0
|
80
|
114
|
200
|
160
|
132
|
8-18
|
20
|
2
|
230
|
152
|
|
1.0
|
100
|
127
|
220
|
180
|
156
|
8-18
|
22
|
2
|
320
|
192
|
|
1.0
|
125
|
140
|
250
|
210
|
184
|
8-18
|
22
|
2
|
345
|
200
|
|
1.0
|
150
|
140
|
285
|
240
|
211
|
8-22
|
24
|
2
|
385
|
230
|
|
1.0
|
200
|
152
|
340
|
295
|
266
|
8-22
|
24
|
2
|
471
|
297
|
|
1.0
|
250
|
165
|
405
|
355
|
319
|
12-22
|
26
|
2
|
533
|
327
|
|
1.0
|
300
|
178
|
445
|
400
|
370
|
12-22
|
26
|
2
|
606
|
364
|
|
1.0
|
350
|
190
|
505
|
460
|
429
|
16-22
|
26
|
2
|
694
|
404
|
|
1.0
|
400
|
216
|
565
|
515
|
480
|
16-26
|
26
|
2
|
757
|
444
|
|
1.0
|
450
|
222
|
615
|
565
|
530
|
20-26
|
28
|
2
|
814
|
472
|
|
1.0
|
500
|
229
|
670
|
620
|
582
|
20-26
|
28
|
2
|
902
|
522
|
|
1.0
|
600
|
267
|
780
|
725
|
682
|
20-30
|
34
|
2
|
1048
|
590
|
|
1.0
|
700
|
292
|
895
|
840
|
794
|
24-30
|
34
|
5
|
1277
|
810
|
|
1.0
|
800
|
318
|
1015
|
950
|
901
|
24-33
|
36
|
5
|
1385
|
844
|
|
1.0
|
900
|
330
|
1115
|
1050
|
1001
|
28-33
|
38
|
5
|
1490
|
890
|
|
1.0
|
1000
|
410
|
1230
|
1160
|
1112
|
28-36
|
38
|
5
|
1620
|
950
|
|
1.6
|
50
|
108
|
165
|
125
|
99
|
4-18
|
20
|
2
|
170
|
130
|
|
1.6
|
65
|
112
|
185
|
145
|
118
|
4-18
|
20
|
2
|
170
|
145
|
|
1.6
|
80
|
114
|
200
|
160
|
132
|
8-18
|
20
|
2
|
230
|
152
|
|
1.6
|
100
|
127
|
220
|
180
|
156
|
8-18
|
22
|
2
|
320
|
192
|
|
1.6
|
125
|
140
|
250
|
210
|
184
|
8-18
|
22
|
2
|
345
|
200
|
|
1.6
|
150
|
140
|
285
|
240
|
211
|
8-22
|
24
|
2
|
385
|
230
|
|
1.6
|
200
|
152
|
340
|
295
|
266
|
12-22
|
24
|
2
|
471
|
297
|
|
1.6
|
250
|
165
|
405
|
355
|
319
|
12-26
|
26
|
2
|
533
|
327
|
|
1.6
|
300
|
178
|
460
|
410
|
370
|
12-26
|
28
|
2
|
606
|
364
|
|
1.6
|
350
|
190
|
520
|
470
|
429
|
16-26
|
30
|
2
|
694
|
404
|
|
1.6
|
400
|
216
|
580
|
525
|
480
|
16-30
|
32
|
2
|
757
|
444
|
|
1.6
|
450
|
222
|
640
|
585
|
548
|
20-30
|
40
|
2
|
814
|
472
|
|
1.6
|
500
|
229
|
715
|
650
|
609
|
20-33
|
44
|
2
|
902
|
522
|
|
1.6
|
600
|
267
|
840
|
770
|
720
|
20-36
|
54
|
2
|
1048
|
590
|
|
1.6
|
700
|
292
|
910
|
840
|
794
|
24-36
|
40
|
5
|
1277
|
810
|
|
1.6
|
800
|
318
|
1025
|
950
|
901
|
24-39
|
42
|
5
|
1385
|
844
|
|
1.6
|
900
|
330
|
1125
|
1050
|
1001
|
28-39
|
44
|
5
|
1490
|
890
|
|
1.6
|
1000
|
410
|
1225
|
1170
|
1112
|
28-42
|
46
|
5
|
1620
|
950
|
|
2.5
|
50
|
108
|
165
|
125
|
99
|
4-18
|
20
|
2
|
170
|
130
|
|
2.5
|
65
|
112
|
185
|
145
|
118
|
8-18
|
22
|
2
|
265
|
210
|
|
2.5
|
80
|
114
|
200
|
160
|
132
|
8-18
|
24
|
2
|
310
|
233
|
|
2.5
|
100
|
127
|
235
|
190
|
156
|
8-22
|
24
|
2
|
343
|
242
|
|
2.5
|
125
|
140
|
270
|
220
|
184
|
8-26
|
26
|
2
|
385
|
254
|
|
2.5
|
150
|
140
|
300
|
250
|
211
|
8-26
|
28
|
2
|
445
|
580
|
|
2.5
|
200
|
152
|
360
|
310
|
274
|
12-26
|
30
|
2
|
510
|
297
|
|
2.5
|
250
|
165
|
425
|
370
|
330
|
12-30
|
32
|
2
|
569
|
339
|
|
2.5
|
300
|
178
|
485
|
430
|
389
|
16-30
|
34
|
2
|
653
|
375
|
|
2.5
|
350
|
190
|
555
|
490
|
448
|
16-33
|
38
|
2
|
730
|
420
|
|
2.5
|
400
|
216
|
620
|
550
|
503
|
16-36
|
40
|
2
|
810
|
463
|
|
2.5
|
450
|
222
|
670
|
600
|
548
|
20-36
|
46
|
2
|
850
|
495
|
|
2.5
|
500
|
229
|
730
|
660
|
609
|
20-36
|
48
|
2
|
940
|
566
|
|
2.5
|
600
|
267
|
845
|
770
|
720
|
20-39
|
58
|
2
|
1150
|
630
|
|
2.5
|
700
|
292
|
960
|
875
|
820
|
24-42
|
58
|
5
|
1195
|
727
|
|
2.5
|
800
|
318
|
1085
|
990
|
609
|
24-36
|
58
|
5
|
1268
|
810
|
【結構圖片】
